
抑制电磁干扰与电源网络连接用电容器
查看PDF:C4A_CIS抑制电磁干扰与电源网络连接用电容器_2021.pdf

● 产品描述
金属化聚丙烯膜无感卷绕而成;
UL94-V0阻燃塑壳、阻燃环氧树脂灌封;
获得中国、欧美等多国/地区的安全认证;
适用于跨接电源线、旁路,也适用于灭弧电路、
EMI滤波器、开关电源、电动工具和其他有抑制
干扰要求的电子线路和电子设备中。
名称 Mark | 国别 Country | 执行标准 Reference standard | 证书号 Certificate Number | |
UL | 美 国 | USA | UL 60384-14 | 310VAC/250VAC: No. E306193 |
cUL | 加拿大 | Canada | ||
VDE | 德 国 | Germany | EN 60384-14 | 310VAC: No 40052822 275VAC: No40019428 |
ENEC | 欧 盟 | EU | ||
CQC | 中 国 | China | GB/T 6346.14-2015 | 310VAC: CQC 20001255337 250VAC: CQC 06001017324 |
● 性能指标 Specifications
电容器类别 Class | X2 | ||
额定工作电压UR Rated Voltage UR | 310Vac 50/60Hz | 275Vac/250Vac 50/60Hz | |
气候类别/阻燃等级 Climatic Category /Passive Flammability | 40/105/21/B | 40/85/21/B | |
容量范围 Capacitance Range | 0.001~4.7μF | 0.001~2.2μF | |
容量偏差 Capacitance Tolerance | K: ±10%,M: ±20% | K: ±10% | |
端子-端子间电压 Voltage Proof Between Terminals | 4.3UR DC ( 1min ) | ||
端子-外壳间电压 Voltage Proof Between Terminals and Case | 2120VAC ( 1min ) | ||
损耗角正切 Dissipation Factor | ≤ 0.0020 0.001μF≤CR<0.47μF ( 20℃ 10kHz ) | ||
≤ 0.0030 0.47μF≤CR≤1.0μF ( 20℃ 10kHz ) | |||
≤ 0.0020 1.0μF<CR≤4.7μF ( 20℃ 1kHz ) | |||
绝缘电阻 Insulation Resistance | ≥15000MΩ CR≤0.33μF ≥5000MΩ·μF CR>0.33μF | ( 20℃ 1min ) | |
产品编码说明 Part number system
● 16位产品代码如下:
1 | 2 | 3 | 4 | 5 | 6 | 7 | 8 | 9 | 10 | 11 | 12 | 13 | 14 | 15 | 16 |
C | 4 | A |
第1~3位 Digit 1 to 3 型号代码 Series code
C4A=CIS
第4~6位 Digit 4 to 6 额定电压 Rated voltage
举例:163=101×63 V=630 V
216=102×16 V=1600 V
第7位 Digit 7 交流/直流电压 AC/DC
A=AC D=DC
第8~10位 Digit 8 to 10 标称容量 Rated capacitance value
举例:310=103×10 pF=0.01μF
第11位 Digit 11 容量偏差 Capacitance tolerance
J=±5%,K=±10%,M=±20%
第12~16位 Digit 12 to 16 内部特征码 Internal use
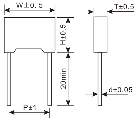
● 规格尺寸Dimensions
275VAC | 275VAC | |||||||||||||
CR | W | H | T | P | d | Part Number | CR | W | H | T | P | d | Part Number | |
0.001 | 13 | 9 | 4 | 10 | 0.6 | C4A127A210-4A*** | 0.15 | 18 | 14.5 | 8.5 | 15 | 0.8 | C4A127A415-6B*** | |
0.0012 | 13 | 9 | 4 | 10 | 0.6 | C4A127A212-4A*** | 0.18 | 18 | 13.5 | 7.5 | 15 | 0.8 | C4A127A418-6A*** | |
0.0015 | 13 | 11 | 5 | 10 | 0.6 | C4A127A215-4A*** | 0.18 | 18 | 14.5 | 8.5 | 15 | 0.8 | C4A127A418-6B*** | |
0.0018 | 13 | 11 | 5 | 10 | 0.6 | C4A127A218-4A*** | 0.22 | 18 | 13.5 | 7.5 | 15 | 0.8 | C4A127A422-6A*** | |
0.0022 | 13 | 11 | 5 | 10 | 0.6 | C4A127A222-4A*** | 0.22 | 18 | 14.5 | 8.5 | 15 | 0.8 | C4A127A422-6B*** | |
0.0027 | 13 | 11 | 5 | 10 | 0.6 | C4A127A227-4A*** | 0.27 | 18 | 14.5 | 8.5 | 15 | 0.8 | C4A127A427-6A*** | |
0.0033 | 13 | 11 | 5 | 10 | 0.6 | C4A127A233-4A*** | 0.33 | 18 | 16 | 10 | 15 | 0.8 | C4A127A433-6A*** | |
0.0039 | 13 | 12 | 6 | 10 | 0.6 | C4A127A239-4A*** | 0.39 | 18 | 19 | 11 | 15 | 0.8 | C4A127A439-6A*** | |
0.0047 | 13 | 12 | 6 | 10 | 0.6 | C4A127A247-4A*** | 0.47 | 18 | 19 | 11 | 15 | 0.8 | C4A127A447-6A*** | |
0.0056 | 18 | 11 | 5 | 15 | 0.6 | C4A127A256-6A*** | 0.22 | 26.5 | 16.5 | 7 | 22.5 | 0.8 | C4A127A422-9A*** | |
0.0068 | 18 | 11 | 5 | 15 | 0.6 | C4A127A268-6A*** | 0.27 | 26.5 | 17 | 8.5 | 22.5 | 0.8 | C4A127A427-9A*** | |
0.0082 | 18 | 11 | 5 | 15 | 0.6 | C4A127A282-6A*** | 0.33 | 26.5 | 17 | 8.5 | 22.5 | 0.8 | C4A127A433-9A*** | |
0.01 | 18 | 11 | 5 | 15 | 0.6 | C4A127A310-6A*** | 0.39 | 26.5 | 19.5 | 10.5 | 22.5 | 0.8 | C4A127A439-9A*** | |
0.012 | 18 | 11 | 5 | 15 | 0.6 | C4A127A312-6A*** | 0.47 | 26.5 | 19.5 | 10.5 | 22.5 | 0.8 | C4A127A447-9A*** | |
0.015 | 18 | 11 | 5 | 15 | 0.6 | C4A127A315-6A*** | 0.56 | 26.5 | 19.5 | 10.5 | 22.5 | 0.8 | C4A127A456-9A*** | |
0.018 | 18 | 11 | 5 | 15 | 0.6 | C4A127A318-6A*** | 0.47 | 31.5 | 18 | 9 | 27.5 | 0.8 | C4A127A447-BA*** | |
0.022 | 18 | 11 | 5 | 15 | 0.6 | C4A127A322-6A*** | 0.56 | 31.5 | 20 | 11 | 27.5 | 0.8 | C4A127A456-BA*** | |
0.027 | 18 | 11 | 5 | 15 | 0.6 | C4A127A327-6A*** | 0.68 | 31.5 | 20 | 11 | 27.5 | 0.8 | C4A127A468-BA*** | |
0.033 | 18 | 11 | 5 | 15 | 0.6 | C4A127A333-6A*** | 0.82 | 31.5 | 20 | 11 | 27.5 | 0.8 | C4A127A482-BA*** | |
0.039 | 18 | 11 | 5 | 15 | 0.6 | C4A127A339-6A*** | 1 | 31.5 | 23.5 | 14 | 27.5 | 0.8 | C4A127A510-BA*** | |
0.047 | 18 | 11 | 5 | 15 | 0.6 | C4A127A347-6A*** | 1 | 31.5 | 25.5 | 16 | 27.5 | 0.8 | C4A127A510-BB*** | |
0.056 | 18 | 12 | 6 | 15 | 0.8 | C4A127A356-6A*** | 1.2 | 31.5 | 22 | 13 | 27.5 | 0.8 | C4A127A512-BA*** | |
0.068 | 18 | 12 | 6 | 15 | 0.8 | C4A127A368-6A*** | 1.2 | 31.5 | 23.5 | 14 | 27.5 | 0.8 | C4A127A512-BB*** | |
0.082 | 18 | 12 | 6 | 15 | 0.8 | C4A127A382-6A*** | 1.5 | 31.5 | 22 | 13 | 27.5 | 0.8 | C4A127A515-BA*** | |
0.1 | 18 | 11 | 5 | 15 | 0.6 | C4A127A410-6A*** | 1.5 | 31.5 | 25.5 | 16 | 27.5 | 0.8 | C4A127A515-BB*** | |
0.1 | 18 | 12 | 6 | 15 | 0.8 | C4A127A410-6B*** | 1.8 | 31.5 | 25.5 | 16 | 27.5 | 0.8 | C4A127A518-BA*** | |
0.1 | 18 | 13.5 | 7.5 | 15 | 0.8 | C4A127A410-6C*** | 1.8 | 31.5 | 28 | 18 | 27.5 | 0.8 | C4A127A518-BB*** | |
0.12 | 18 | 12 | 6 | 15 | 0.8 | C4A127A412-6A*** | 2.2 | 31.5 | 25.5 | 16 | 27.5 | 0.8 | C4A127A522-BA*** | |
0.12 | 18 | 13.5 | 7.5 | 15 | 0.8 | C4A127A412-6B*** | 2.2 | 31.5 | 28 | 18 | 27.5 | 0.8 | C4A127A522-BB*** | |
0.15 | 18 | 12 | 6 | 15 | 0.8 | C4A127A415-6A*** | ||||||||
● 规格尺寸Dimensions
310VAC | 310VAC | |||||||||||||
CR | W | H | T | P | d | Part Number | CR | W | H | T | P | d | Part Number | |
0.001 | 13 | 9 | 4 | 10 | 0.6 | C4A131A210-4A*** | 0.027 | 18 | 11 | 5 | 15 | 0.6 | C4A131A327-6A*** | |
0.0012 | 13 | 9 | 4 | 10 | 0.6 | C4A131A212-4A*** | 0.033 | 18 | 11 | 5 | 15 | 0.6 | C4A131A333-6A*** | |
0.0015 | 13 | 11 | 5 | 10 | 0.6 | C4A131A215-4A*** | 0.039 | 18 | 11 | 5 | 15 | 0.6 | C4A131A339-6A*** | |
0.0018 | 13 | 11 | 5 | 10 | 0.6 | C4A131A218-4A*** | 0.047 | 18 | 11 | 5 | 15 | 0.6 | C4A131A347-6A*** | |
0.0022 | 13 | 11 | 5 | 10 | 0.6 | C4A131A222-4A*** | 0.056 | 18 | 11 | 5 | 15 | 0.6 | C4A131A356-6A*** | |
0.0027 | 13 | 11 | 5 | 10 | 0.6 | C4A131A227-4A*** | 0.068 | 18 | 11 | 5 | 15 | 0.6 | C4A131A368-6A*** | |
0.0033 | 13 | 11 | 5 | 10 | 0.6 | C4A131A233-4A*** | 0.082 | 18 | 11 | 5 | 15 | 0.6 | C4A131A382-6A*** | |
0.0039 | 13 | 11 | 5 | 10 | 0.6 | C4A131A239-4A*** | 0.1 | 18 | 11 | 5 | 15 | 0.6 | C4A131A410-6A*** | |
0.0047 | 13 | 11 | 5 | 10 | 0.6 | C4A131A247-4A*** | 0.1 | 18 | 12 | 6 | 15 | 0.8 | C4A131A410-6B*** | |
0.0056 | 13 | 11 | 5 | 10 | 0.6 | C4A131A256-4A*** | 0.1 | 18 | 13.5 | 7.5 | 15 | 0.8 | C4A131A410-6C*** | |
0.0068 | 13 | 11 | 5 | 10 | 0.6 | C4A131A268-4A*** | 0.12 | 18 | 11 | 5 | 15 | 0.6 | C4A131A412-6A*** | |
0.0082 | 13 | 11 | 5 | 10 | 0.6 | C4A131A282-4A*** | 0.12 | 18 | 12 | 6 | 15 | 0.8 | C4A131A412-6B*** | |
0.01 | 13 | 11 | 5 | 10 | 0.6 | C4A131A310-4A*** | 0.12 | 18 | 13.5 | 7.5 | 15 | 0.8 | C4A131A412-6C*** | |
0.012 | 13 | 11 | 5 | 10 | 0.6 | C4A131A312-4A*** | 0.15 | 18 | 12 | 6 | 15 | 0.8 | C4A131A415-6A*** | |
0.015 | 13 | 11 | 5 | 10 | 0.6 | C4A131A315-4A*** | 0.15 | 18 | 13.5 | 7.5 | 15 | 0.8 | C4A131A415-6B*** | |
0.018 | 13 | 11 | 5 | 10 | 0.6 | C4A131A318-4A*** | 0.18 | 18 | 12 | 6 | 15 | 0.8 | C4A131A418-6A*** | |
0.022 | 13 | 11 | 5 | 10 | 0.6 | C4A131A322-4A*** | 0.18 | 18 | 13.5 | 7.5 | 15 | 0.8 | C4A131A418-6B*** | |
0.027 | 13 | 11 | 5 | 10 | 0.6 | C4A131A327-4A*** | 0.18 | 18 | 14.5 | 8.5 | 15 | 0.8 | C4A131A418-6C*** | |
0.033 | 13 | 11 | 5 | 10 | 0.6 | C4A131A333-4A*** | 0.22 | 18 | 13.5 | 7.5 | 15 | 0.8 | C4A131A422-6A*** | |
0.039 | 13 | 11 | 5 | 10 | 0.6 | C4A131A339-4A*** | 0.22 | 18 | 14.5 | 8.5 | 15 | 0.8 | C4A131A422-6B*** | |
0.047 | 13 | 11 | 5 | 10 | 0.6 | C4A131A347-4A*** | 0.27 | 18 | 13.5 | 7.5 | 15 | 0.8 | C4A131A427-6A*** | |
0.056 | 13 | 11 | 5 | 10 | 0.6 | C4A131A356-4A*** | 0.27 | 18 | 14.5 | 8.5 | 15 | 0.8 | C4A131A427-6B*** | |
0.068 | 13 | 12 | 6 | 10 | 0.6 | C4A131A368-4A*** | 0.33 | 18 | 14.5 | 8.5 | 15 | 0.8 | C4A131A433-6A*** | |
0.082 | 13 | 12 | 6 | 10 | 0.6 | C4A131A382-4A*** | 0.33 | 18 | 16 | 10 | 15 | 0.8 | C4A131A433-6B*** | |
0.1 | 13 | 12 | 6 | 10 | 0.6 | C4A131A410-4A*** | 0.39 | 18 | 14.5 | 8.5 | 15 | 0.8 | C4A131A439-6A*** | |
0.01 | 18 | 11 | 5 | 15 | 0.6 | C4A131A310-6A*** | 0.39 | 18 | 16 | 10 | 15 | 0.8 | C4A131A439-6B*** | |
0.012 | 18 | 11 | 5 | 15 | 0.6 | C4A131A312-6A*** | 0.47 | 18 | 16 | 10 | 15 | 0.8 | C4A131A447-6A*** | |
0.015 | 18 | 11 | 5 | 15 | 0.6 | C4A131A315-6A*** | 0.47 | 18 | 19 | 11 | 15 | 0.8 | C4A131A447-6B*** | |
0.018 | 18 | 11 | 5 | 15 | 0.6 | C4A131A318-6A*** | 0.56 | 18 | 19 | 11 | 15 | 0.8 | C4A131A456-6A*** | |
0.022 | 18 | 11 | 5 | 15 | 0.6 | C4A131A322-6A*** | ||||||||
● 规格尺寸Dimensions
310VAC | 310VAC | |||||||||||||
CR | W | H | T | P | d | Part Number | CR | W | H | T | P | d | Part Number | |
0.22 | 26.5 | 16.5 | 7 | 22.5 | 0.8 | C4A131A422-9A*** | 0.68 | 31.5 | 18 | 9 | 27.5 | 0.8 | C4A131A468-BA*** | |
0.27 | 26.5 | 16.5 | 7 | 22.5 | 0.8 | C4A131A427-9A*** | 0.68 | 31.5 | 20 | 11 | 27.5 | 0.8 | C4A131A468-BB*** | |
0.33 | 26.5 | 16.5 | 7 | 22.5 | 0.8 | C4A131A433-9A*** | 0.82 | 31.5 | 18 | 9 | 27.5 | 0.8 | C4A131A482-BA*** | |
0.33 | 26.5 | 17 | 8.5 | 22.5 | 0.8 | C4A131A433-9B*** | 0.82 | 31.5 | 20 | 11 | 27.5 | 0.8 | C4A131A482-BB*** | |
0.39 | 26.5 | 16.5 | 7 | 22.5 | 0.8 | C4A131A439-9A*** | 1 | 31.5 | 18 | 9 | 27.5 | 0.8 | C4A131A510-BA*** | |
0.39 | 26.5 | 17 | 8.5 | 22.5 | 0.8 | C4A131A439-9B*** | 1 | 31.5 | 23.5 | 14 | 27.5 | 0.8 | C4A131A510-BB*** | |
0.47 | 26.5 | 16.5 | 7 | 22.5 | 0.8 | C4A131A447-9A*** | 1.2 | 31.5 | 20 | 11 | 27.5 | 0.8 | C4A131A512-BA*** | |
0.47 | 26.5 | 19.5 | 10.5 | 22.5 | 0.8 | C4A131A447-9B*** | 1.2 | 31.5 | 22 | 13 | 27.5 | 0.8 | C4A131A512-BB*** | |
0.56 | 26.5 | 17 | 8.5 | 22.5 | 0.8 | C4A131A456-9A*** | 1.5 | 31.5 | 20 | 11 | 27.5 | 0.8 | C4A131A515-BA*** | |
0.56 | 26.5 | 19.5 | 10.5 | 22.5 | 0.8 | C4A131A456-9B*** | 1.5 | 31.5 | 22 | 13 | 27.5 | 0.8 | C4A131A515-BB*** | |
0.68 | 26.5 | 17 | 8.5 | 22.5 | 0.8 | C4A131A468-9A*** | 1.8 | 31.5 | 22 | 13 | 27.5 | 0.8 | C4A131A518-BA*** | |
0.68 | 26.5 | 19.5 | 10.5 | 22.5 | 0.8 | C4A131A468-9B*** | 1.8 | 31.5 | 25.5 | 16 | 27.5 | 0.8 | C4A131A518-BB*** | |
0.82 | 26.5 | 19.5 | 10.5 | 22.5 | 0.8 | C4A131A482-9A*** | 2.2 | 31.5 | 23.5 | 14 | 27.5 | 0.8 | C4A131A522-BA*** | |
0.82 | 26.5 | 22 | 12 | 22.5 | 0.8 | C4A131A482-9B*** | 2.2 | 31.5 | 25.5 | 16 | 27.5 | 0.8 | C4A131A522-BB*** | |
1 | 26.5 | 19.5 | 10.5 | 22.5 | 0.8 | C4A131A510-9A*** | 2.7 | 31.5 | 25.5 | 16 | 27.5 | 0.8 | C4A131A527-BA*** | |
1.2 | 26.5 | 22 | 12 | 22.5 | 0.8 | C4A131A512-9A*** | 2.7 | 31.5 | 30 | 18 | 27.5 | 0.8 | C4A131A527-BB*** | |
0.47 | 31.5 | 18 | 9 | 27.5 | 0.8 | C4A131A447-BA*** | 3.3 | 31.5 | 30 | 18 | 27.5 | 0.8 | C4A131A533-BA*** | |
0.56 | 31.5 | 18 | 9 | 27.5 | 0.8 | C4A131A456-BA*** | 3.9 | 31.5 | 30 | 18 | 27.5 | 0.8 | C4A131A539-BA*** | |
0.56 | 31.5 | 20 | 11 | 27.5 | 0.8 | C4A131A456-BB*** | 4.7 | 31.5 | 33 | 18 | 27.5 | 0.8 | C4A131A547-BA*** | |

kaiyun开云官方网页版专业的科研机构和一支高水平 的研发团队

kaiyun开云官方网页版众多国家认可资质

宏大事业感召人,优厚待遇吸引人,优 秀文化凝聚人,创造条件成就人

为客户提供优质、安全、环保、高效的产品和服务


市场部:671384967
13775603525(肖小姐)